







- Úvod
- Motýlové uzavírací klapky
- Podsilové klapky VFF
- Podsilová klapka V2FF250F34N
Podsilová klapka V2FF250F34N
- Doprava ZDARMA

Více než 34 let na trhuStabilní firma s dlouholetou praxí v oboru
Komplexní nabídka řešeníElektrické a pneumatické vibrátory, čeření, střásací kladiva, pohony pro třidiče, síta. Vše na jednom místě.
Spolehlivost a kvalitaNaše produkty zajišťují kontinuální tok bez prostojů s dlouhou životností
Individuální přístupPoradenství a návrh řešení vašim potřebám- Kompletní specifikace
- Komentáře 0
Podsilová klapka V2FF250F34Nskladem (po vyprodání 2 - 5 týdnů)11 053 Kč/ ks9 135 Kč bez DPH
Kompletní specifikace
Podsilová klapka V2FF250F34N
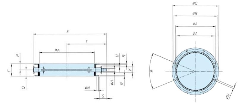
Motýlové klapky typu VFF pro uzavírání sil jsou vyrobeny z jednodílného svařovaného tělesa z uhlíkové oceli, které je opatřeno výstelkou z kompozitního polymeru SINT.
Disk klapky je vyroben z povrchově upravené uhlíkové oceli.
Obě příruby jsou kruhové.
Klapky VFF lze ovládat pomocí ručních pák CM4.
| TYP | F | G | počet | P | Q | R | alfa | T | U | V | kg | |||||||
| V2FF250F34N | 240 | 265 | 300 | 328 | 400 | 100 | 50 | 22x19 | 13,5 | 8 | 50 | 50 | 6 | 45° | 214 | M12 | 50 | 8,6 |

Zboží zařazeno v kategoriích
