







- Úvod
- Elektrické vibrátory
- Nerezové elektrické vibrátory
- Elektrický vibrátor MVE200/1N-SS-40A0
Elektrický vibrátor MVE200/1N-SS-40A0

Více než 34 let na trhuStabilní firma s dlouholetou praxí v oboru
Komplexní nabídka řešeníElektrické a pneumatické vibrátory, čeření, střásací kladiva, pohony pro třidiče, síta. Vše na jednom místě.
Spolehlivost a kvalitaNaše produkty zajišťují kontinuální tok bez prostojů s dlouhou životností
Individuální přístupPoradenství a návrh řešení vašim potřebám- Kompletní specifikace
- Komentáře 0
Elektrický vibrátor MVE200/1N-SS-40A0Není skladem, dodání 2 - 5 týdnů, po ověření bude upřesněno.32 017 Kč/ ks26 460 Kč bez DPH
Elektrický příložný vibrátor MVE 200/1N-SS-40A0
Technické parametry příložného vibrátoru:
Otáčky: 1.000 1/min
| Pracovní moment* | Odstředivá síla | Hmotnost | Výkon | Proud | Ia/In | Class II Div.2 | - | |||||||
| [Kg.cm] | [Kg] | [Kg] | [kW] | Amax (Y) | - | - | Tepl. třída | Kabel | ||||||
| 50Hz | 60Hz | 50Hz | 60Hz | 50Hz | 60Hz | 50Hz | 60Hz | 400V/50Hz | 460V/60Hz | 50Hz | 60Hz | [T] | °C | - |
| 33,5 | 23,4 | 187 | 188 | 28 | 0,15 | 0,18 | 0,65 | 0,62 | 2,2 | 2,2 | T4 | 100 | M20 | |
* pracovní moment=2x statický moment
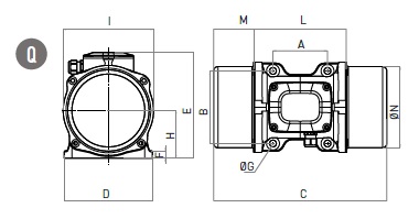
| C | M | A | B | ?G | Díry | D | E | F | H | I | L | N | ||
| [mm] | [mm] | [mm] | [mm] | [mm] | n° | [mm] | [mm] | [mm] | [mm] | [mm] | [mm] | [mm] | ||
| 50Hz | 60Hz | 50Hz | 60Hz | |||||||||||
| 333 | 78 | 105 | 140 | 13 | 4 | 170 | 204 | 14 | 92 | 174 | 174 | 156 | ||

Elektrické vibrátory se používají pro vibrační žlabové dopravníky, podavače, vibrační stoly a rošty, pro sila, násypky a zásobníky, všude tam, kde je nutné rozpohybovat materiál, při tvorbě klenby apod.. Vibrační elektrické vibrátory se mohou také používat pro střásaní a hutnění.
- jestliže potřebujete poradit ve výběru vibrátoru, neváhejte nás kontaktovat, rádi Vám poradíme a navrhneme vhodné řešení pro danou aplikace
Jak vybrat správně vibrátor
1.Vyberte otáčky za minutu a amplitudu „e“ (0 - vrchol) vhodnou pro vaši aplikaci:


e = amplituda vibrací 0-vrchol (mm)
n = počet vibrátorů
Wm = pracovní moment (kg.cm)
Mmot = hmotnost vibrátoru (kg)
Mvm = hmotnost vibračního stroje (bez materiálu a vibrátorů)
3. Zkontrolujte získanou hodnotu „e“:
Pokud je vypočtená apmplituda podobná požadované (krok 1) => model MVE správný.
Pokud není vypočtená amplituda podobná požadované (krok 1) => opakujte proces (krok 2) s jiným modelem MVE.
ATEX:
II2D Ex tb IIIC Tx Db IP66
» Zařízení a ochranný systém určený pro použití v prostředí s nebezpečím výbuchu (Zóna 21) - nařízení 2014/34/UE
» Soulad se základními požadavky na ochranu zdraví a bezpečnost
» IEC 60034-1, IEC EN 60079-0, IEC EN 60079-31
Aplikace
- Automatický blokový stroj
- Zhutňování velkého pytle
- Vibrační dna pro sila
- Vibrační síta s kruhovým pohybem
- Hutnění betonu
- Odvodňovací síto
- Gravimetrický vibrační separátor
- Vibrační podavač
- Potrubní dopravník
- Čistič krupice
- Vyprazdňování sila a násypky
- Síta rekultivace půdy
- Síta třídění / velikosti
- Nákladní auta
- Vibrační plnění Big-Bag
- Vibrační skluz
- Vibrátory pro prachové filtry
- Vibrační extraktor pro sila a násypky
- Vibrační podavač
- Vibrační sušička s fluidním ložem
- Vibrační Shake-Out
- Vibrační spirálový výtah
- Vibrační testovací stůl
Sektory
- Stavba budovy
- Energie
- Environmentální technologie
- Krmivo a jídlo
- Těžký průmysl
- Závody a stroje
- Plasty a chemikálie




