







- Úvod
- Vibrátory pro bednění
- Elekt. vibrátory pro bednění
- Elektrický vibrátor MVE1300/6N-HC-50A0 (230/400 V)
Elektrický vibrátor MVE1300/6N-HC-50A0 (230/400 V)
- Novinka

Více než 34 let na trhuStabilní firma s dlouholetou praxí v oboru
Komplexní nabídka řešeníElektrické a pneumatické vibrátory, čeření, střásací kladiva, pohony pro třidiče, síta. Vše na jednom místě.
Spolehlivost a kvalitaNaše produkty zajišťují kontinuální tok bez prostojů s dlouhou životností
Individuální přístupPoradenství a návrh řešení vašim potřebám- Kompletní specifikace
- Komentáře 0
Elektrický vibrátor MVE1300/6N-HC-50A0 (230/400 V)Není skladem, dodání 2 - 5 týdnů, po ověření bude upřesněno.19 312 Kč/ ks15 960 Kč bez DPH
Kompletní specifikace
Elektrický příložný vibrátor MVE 1300/6N-HC-50A0
Otáčky: 0 - 6.000 ot/min
Upevňovací systém: CRS080
Technické parametry příložného vibrátoru:
| Otáčky | Pracovní moment | Odstředivá síla | Hmotnost | Příkon | Napětí/ Nominální Proud | Class II 3D | - | Frekvence | ||||||
| [ot/min] | [Kg.cm] | [Kg] | [Kg] | [kW] | V / Amax | Tepl. třída | Kabel | [Hz] | ||||||
| - | - | - | - | - | 220-240V/400-460V | °C | - | - | ||||||
| 0 - 6.000 | 7,32 | 1.474 | 22 | 1,3 | 4.22/2.44 | 100 | M25 | 0 - 100 | ||||||
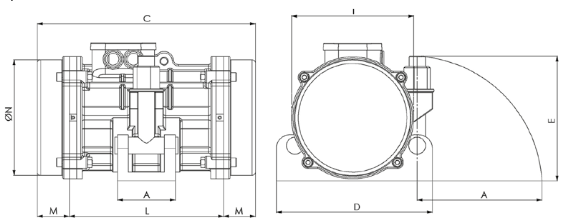
Rozměry vibrátoru:
| C | M | A | B | ?G | Díry | D | E | F | H | I | L | N | ||
| [mm] | [mm] | [mm] | [mm] | [mm] | n° | [mm] | [mm] | [mm] | [mm] | [mm] | [mm] | [mm] | ||
| - | - | |||||||||||||
| 321 | 47 | 132 | - | - | - | 230 | 184 | - | - | 180 | 227 | 170 | ||

Nastavení nevývažků:

Zboží zařazeno v kategoriích
