







- Úvod
- Elektrické vibrátory
- Elektrické vibrátory - DC
- Elektrický vibrátor MVE120/3N-DC-24V
Elektrický vibrátor MVE120/3N-DC-24V
- Novinka
- Doprava ZDARMA
Více než 34 let na trhuStabilní firma s dlouholetou praxí v oboru
Komplexní nabídka řešeníElektrické a pneumatické vibrátory, čeření, střásací kladiva, pohony pro třidiče, síta. Vše na jednom místě.
Spolehlivost a kvalitaNaše produkty zajišťují kontinuální tok bez prostojů s dlouhou životností
Individuální přístupPoradenství a návrh řešení vašim potřebám- Kompletní specifikace
- Komentáře 0
- Elektrický vibrátor MVE120/3N-DC-24VNení skladem, dodání 2 - 5 týdnů, po ověření bude upřesněno.8 637 Kč/ ks7 138 Kč bez DPH
Elektrický příložný vibrátor MVE 120/3N-DC-23A0-24V stejnosměrné napětí
Elektrické vibrátory MVE DC se skládají z elektromotoru uloženého v robustním hliníkovém pouzdru navrženém FMEA s excentrickými závažími namontovanými na obou koncích hřídele, které pracují při 12 nebo 24 voltech.MVE navrženy pro domíchávače betonu a jiná průmyslová nebo zemědělská vozidla, schopný odolat drsnému prostředí.
Externí elektrické vibrátory MVE-DC lze použít pro usnadnění toku materiálu v násypkách instalovaných na vozidlech, pro zlepšení vypouštění materiálu nebo jako plus na roštech betonového čerpadla, aby bylo umožněno efektivní proudění čerstvého betonu.
Certifikace:
ATEX Ex II 3D
- otáčky: 3000 1/min
| Pracovní moment | Odstředivá síla | Hmotnost | Výkon | Proud | II3 D | - | |||||
| [Kg.cm] | [Kg] | [Kg] | [kW] | A max | Tepl. Třída | Kabel | |||||
| 1,1 | 117 | 5,9 | 0,12 | 4,8 | [°C] | - | |||||
| 100 | M20 | ||||||||||
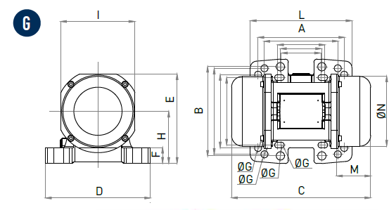
Rozměry vibrátoru:
| C | M | A | B | ?G | Díry | D | E | F | H | I | L | N | ||
| [mm] | [mm] | [mm] | [mm] | [mm] | n° | [mm] | [mm] | [mm] | [mm] | [mm] | [mm] | [mm] | ||
218 | 53 | 62-74 65 115 135 | 106 140 135 115 | 9 13 11 11 | 4 | 164 | 140 | 25 | 82 | 116 | 159 | 110 | ||

Elektrické vibrátory se používají pro vibrační žlabové dopravníky, podavače, vibrační stoly a rošty, pro sila, násypky a zásobníky, všude tam, kde je nutné rozpohybovat materiál, při tvorbě klenby apod.. Vibrační elektrické vibrátory se mohou také používat pro střásaní a hutnění.
- jestliže potřebujete poradit ve výběru vibrátoru, neváhejte nás kontaktovat, rádi Vám poradíme a navrhneme vhodné řešení pro danou aplikace
